
DS78TRP-E/C is a multi-jet meter for cold water which can be used and read with any type of water even if it is extremely hard, scaling or contains suspended particles. Because the number wheels are isolated in a transparent sealed capsule filled with a special liquid, and equipped with a pressure compensating device and an anti-fogging system for the glass. The wheels sealed in this way means that this part never can contact with the water flowing through the meter and will assure the clear and reliable reading of the meter in all conditions.
SPECIALITY:
* Internal filter of adequate filtering section.
* Internal mechanisms are made from wear-resistant, waterproof, antimagnetic and anti-scaling material.
* Mechanical transmission, not effected by external magnetic fields or ferrous particles in the water.
* All the characteristics mentioned above make the model meter, which combines the advantages of both the traditional wet dial meters as well as those of dry dial types without the well-known disadvantages of both.
WORKING CONDITION:
* The max. admissible pressure: 1.6MPa(16bar)
* Water temp. : not more than 50¡æ
Maximum permissible error:
Between qt (included) and qs is ¡À2%;
Between qmin and qt (excluded) is ¡À5%.
NOTE: The technical data conform to ISO4064 standard, class C.
FLOW-ERROR CURVE

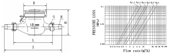
SPECIFICATION AND OVERALL DIMENSIONS
|
Description |
Unit |
Hydraulic data and dimensions |
|
Nominal size |
mm |
15 |
20 |
25 |
32 |
40 |
50 |
|
inch |
1/2 |
3/4 |
1 |
11/4 |
11/2 |
2 |
|
Overload flow-rate (qs) |
m3/h |
3 |
5 |
7 |
12 |
20 |
30 |
|
Permanent flow-rate (qp) |
m3/h |
1.5 |
2.5 |
3.5 |
6 |
10 |
15 |
|
Transitional flow-rate (qt) |
l/h |
22.5 |
37.5 |
52.5 |
90 |
150 |
225 |
|
Minimum flow-rate (qmin) |
l/h |
15 |
25 |
35 |
60 |
100 |
90 |
|
Min. reading |
l |
0.05 |
0.05 |
0.05 |
0.05 |
0.05 |
0.05 |
|
Max. reading |
m3 |
99999 |
99999 |
99999 |
99999 |
999999 |
999999 |
|
Nominal pressure |
MPa |
1.6 |
1.6 |
1.6 |
1.6 |
1.6 |
1.6 |
|
¦¤P at the qs |
MPa |
0.06 |
0.08 |
0.05 |
0.09 |
0.085 |
0.085 |
|
L |
mm |
165 |
190 |
260 |
260 |
300 |
300 |
|
I |
mm |
243 |
286 |
376 |
376 |
438 |
438 |
|
H |
mm |
108 |
108 |
126 |
126 |
170 |
170 |
|
B |
mm |
98.5 |
98.5 |
98.5 |
98.5 |
130 |
130 |
|
G |
inch |
G3/4B |
G1B |
G11/4B |
G11/2B |
G2B |
G21/2B |
|
R |
inch |
R1/2 |
R3/4 |
R1 |
R11/4 |
R11/2 |
R2 |
|
Weight |
Without connections |
Kg |
1.20 |
1.43 |
2.34 |
2.42 |
3.77 |
4.72 |
|
With connections |
1.37 |
1.69 |
2.79 |
3.05 |
4.47 |
6.12 | OVERALL DIMENSIONS PRESSURE LOSS CURVE
 |